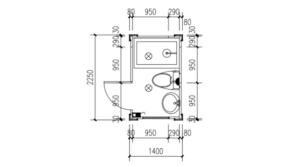
The Shower Cube & Shower Blocks
Temporary or permanent toilet/shower blocks
The Shower Cube comes in multiple designs – You can have a shower/toilet or simply one or the other.
Perfect for short-term or long-term solutions.
These start at 1.4m x 2.3m but can be customised to suit requirements – please discuss with sales to see our multiple ranges and options.
We can also customise glass, windows and doors – please ask our friendly staff members to quote your custom style.










